
KY0625 單保持電磁鐵屬于單向保持微型電磁鐵,產品內置永磁鐵,改變電流的方向,可以改變鐵芯運動的方向。相對于推拉式電磁鐵來說有著特殊的功能被廣泛由于家用電器
安防監控、消防設備、醫療器械、汽車配件等產品上。
磁心科技提供:免費設計、產品點對點定制、批量生產、長期售后服務。
定制的產品類型有:推拉電磁鐵、圓管電磁鐵、保持式電磁鐵、旋轉式電磁鐵、吸盤式電磁鐵、失電電磁鐵、拍打電磁鐵以及電磁閥。
服務過500多個行業,合作了上千家企業,公司對產品的前期的開發和大批量生產都具有豐富的經驗。
KY0625 單保持電磁鐵詳細介紹:
品名:單保持電磁鐵
型號:KY0625
功能:牽引(推式、拉式) 以及保持的功能
電壓:一般使用直流電供電 DC3V-220V
功率:2W-25W 根據保持力和推拉力大小來核定電壓:
備注:保持式電磁鐵,內置永磁鐵,因此和推拉式電磁鐵有不同的特性,具有保持力和推拉力,但是保持式電磁鐵的力量和功率不成正比。
力量: 保持力:20克---300克 推拉力:10克---100克
行程:最大6mm 建議使用5mm 、6mm 產品是最優化使用。
壽命:正常使用下產品壽命大于200萬次。
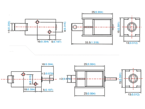
產品尺寸圖:

力量和行程的曲線圖:

磁心科技是研發、制作、銷售電磁鐵的廠家,擁有標準的生產流水線和獨立的實驗室,保證產品質量的前提下提升產品效率,降低生產成本。
如果上述產品和您的需要不一致,歡迎您致電我們,我們有專業的團隊幫您推薦或定制新產品。
